Бобышки
Назначение
Бобышки приварные предназначены для монтажа термопреобразователей, защитных гильз, а также датчиков уровня на месте эксплуатации. Сама бобышка устанавливается на объекте с применением сварки.
В бобышку можно установить:
- термопреобразователь модели 065, 075, 105, 064, 074, 084 непосредственно;
- защитную гильзу ГЗ16.М20Х1,5, ГЗ25.М20Х1,5 с последующей установкой в нее термопреобразователя модели 035, 045, 055, 095;
- датчик уровня ДС.1, ДС.К, ДС.П.
Бобышка поставляется в комплекте с негорючей прокладкой из алюминиевого сплава АД1, которая обеспечивает герметизацию системы при монтаже датчика.
Модификации
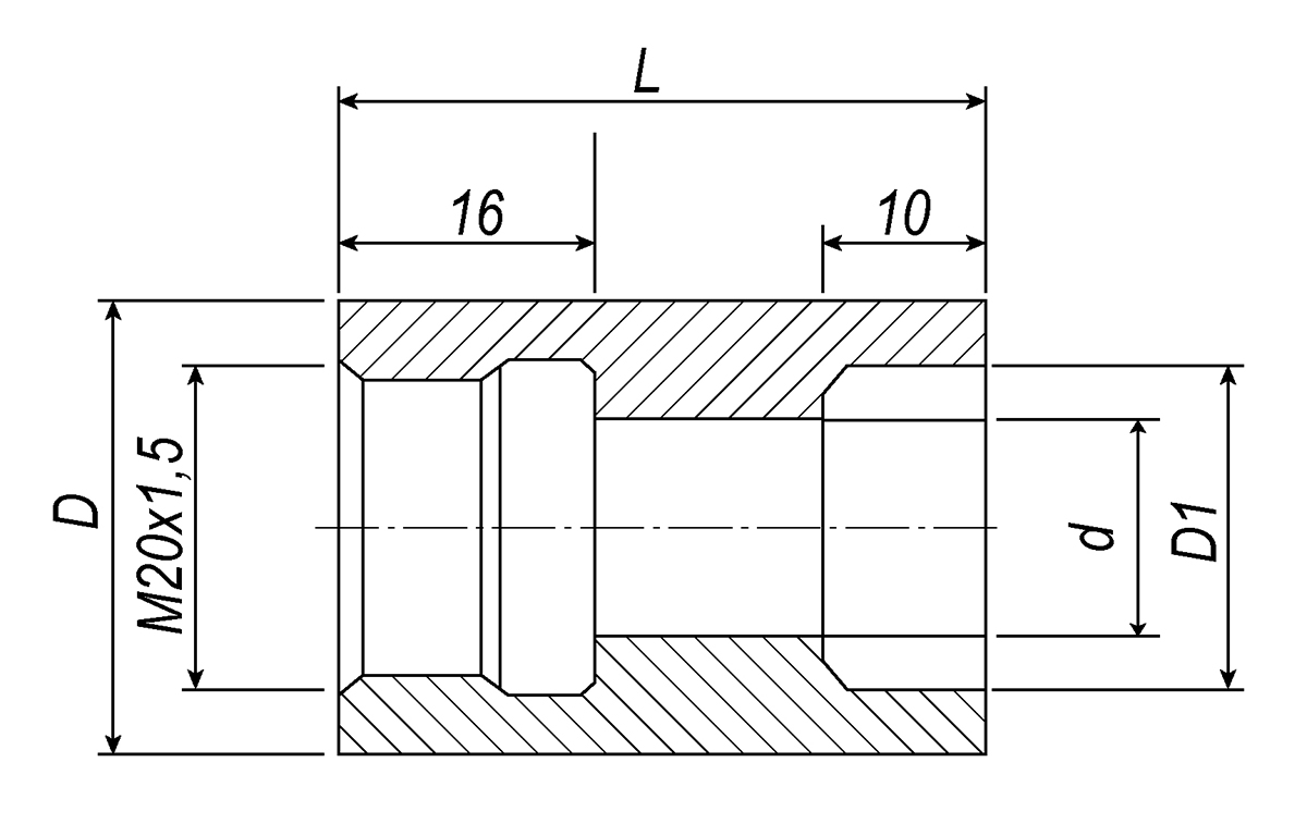
Конструктивное исполнение бобышек для датчиков с приварным штуцером, гильз и датчиков уровня
|
Бобышка прямая Б.П.1.x.х.х |
Бобышка угловая Б.У.1.x.х.х |
М, мм |
D, мм |
D1, мм |
d, мм |
L, мм |
|
|
|
М20х1,5 |
26 |
30 |
18 |
40 60 |
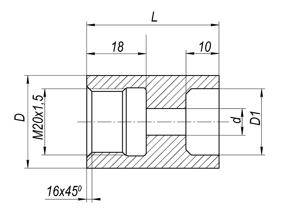
Конструктивное исполнение бобышек для датчиков с подвижным штуцером
|
Бобышка прямая Б.П.2.20х1,5.х.х |
Бобышка угловая |
М, мм |
D, мм |
D1, мм |
d, мм |
L, мм |
|
нет |
М20х1,5 |
28 |
20 |
13 |
40 60 |
Конструктивное исполнение бобышек для датчиков давления
|
Бобышка прямая Б.П.3.24х1,5.х.х |
Бобышка угловая |
М, мм |
D, мм |
D1, мм |
d, мм |
L, мм |
|
нет |
М24х1,5 |
28 |
32 |
24 |
20
|
|
Бобышка прямая Б.П.4.20х1,5.х.х |
Бобышка угловая |
М, мм |
D, мм |
D1, мм |
d, мм |
L, мм |
|
нет |
М20х1,5 |
28 |
20 |
8,5 |
40 60
|
Инструкция отсутствует






